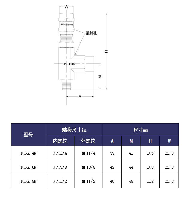
【型号规格】:FCAM-4N
【额定工作压力】:3000PSI
【强度试验压力】:
【适用介质】:气体、液体
【介质温度】:0-180℃
【型号规格】:FCAM-4N
【额定工作压力】:3000PSI
【强度试验压力】:
【适用介质】:气体、液体
【介质温度】:0-180℃
RV系列是一款比例型安全卸荷阀,通过驱动量程弹簧设定阀门开启压力,用于过压保护,阀门常态为关闭状态,当系统压力达到设定值时打开,当系统压力跌落至设定值以下时再次关闭,阀芯经热处理后取得了更高的表面光洁度和结构强度,使得阀门在对抗磨损、流体中的污物、及使用寿命上表现出更优异的性能。 适用于石油、化工、食品、船舶、冶金、能源、生物制药、分析仪器、实验室、半导体等行业,能与国际品牌互通互换,规格齐全、可非标定制 材质:SS304、SS316、SS316L以及其他特殊材质 | ![]() |
